上海川滬閥門有限公司生產的氣動快速切斷蝶閥是采用三偏心金屬硬密封結構或者橡膠軟密封結構的蝶閥與高性能氣動活塞式執(zhí)行器組成。氣動快速切斷蝶閥適用于兩位開關、切斷的場合,也稱為氣動開關蝶閥。氣動快速切斷蝶閥外配行程限位開關、電磁閥、三聯件及0.4-0.7MPa氣源可實現開關操作,并送出二對無源觸點信號指示閥門的開關。氣動快速開關蝶閥是以壓縮空氣為動力,閥桿帶動閥芯在閥體內轉動90℃,可以實現全開——全閉的動作。氣動快速切斷蝶閥適用于冶金行業(yè)的高爐煤氣切斷、化工行業(yè)的介質快速切斷、水處理行業(yè)反滲透過程快速切斷等等,常溫介質用軟密封,高溫介質用金屬密封,配以快速排氣閥,可以實現1-3秒鐘的快速切斷功能。 |
![]() |
氣動快速切斷蝶閥 |
公稱通徑 mm | 50 | 65 | 80 | 100 | 125 | 150 | 200 | 250 | 300 | 350 | 400 | 450 | 500 | 600 | 700 | 800 | 900 | 1000 |
---|---|---|---|---|---|---|---|---|---|---|---|---|---|---|---|---|---|---|
公稱壓力 MPa | 0.6、1.0、1.6、2.5 | |||||||||||||||||
連接方式 | 法蘭式、對夾式 | |||||||||||||||||
動作范圍 | 0~90° | |||||||||||||||||
密封形式 | 金屬密封、四氟密封、橡膠密封 | |||||||||||||||||
執(zhí)行器型號 | GT、AT、AW系列單雙作用氣動執(zhí)行器 | |||||||||||||||||
供氣壓力 | 0.4~0.7MPa | |||||||||||||||||
氣源接口 | G1/4"、G1/8"、G3/8"、G1/2" | |||||||||||||||||
環(huán)境溫度 | -30~+70℃ | |||||||||||||||||
作用形式 | 單作用執(zhí)行機構、雙作用執(zhí)行機構 | |||||||||||||||||
可配附件 | 定位器、電磁閥、空氣過濾減壓器、保位閥、行程開關、閥位傳送器、手輪機構等 |
執(zhí)行器型號 | GT、AT、AR、AW系列單雙作用氣動執(zhí)行器 |
---|---|
供氣壓力 | 0.4~0.7MPa |
氣源接口 | G1/4"、G1/8"、G3/8"、G1/2" |
環(huán)境溫度 | -30~+70℃ |
作用形式 | 單作用執(zhí)行機構:氣關式(B)--失氣時閥位開(FO);氣開式(K)--失氣時閥位關(FC) |
![]() |
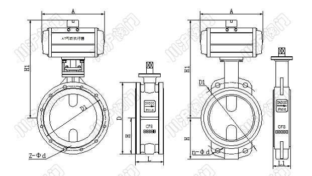
氣動快速切斷蝶閥 |
公稱通徑 | 結構長度 | 外形尺寸(參考值) | 連接尺寸(標準值) | ||||||||||||
---|---|---|---|---|---|---|---|---|---|---|---|---|---|---|---|
0.6MPa | 1.0MPa | 1.6MPa | |||||||||||||
毫米 | 英寸 | L | L1 | H | H1 | A | D | D1 | n-d | D | D1 | n-d | D | D1 | n-d |
50 | 2 | 108 | 43 | 63 | 315 | 180 | 140 | 110 | 4-14 | 165 | 125 | 4-18 | 165 | 125 | 4-18 |
65 | 21/2 | 112 | 46 | 70 | 330 | 180 | 160 | 130 | 4-14 | 185 | 145 | 4-18 | 185 | 145 | 4-18 |
80 | 3 | 114 | 46 | 83 | 390 | 245 | 190 | 150 | 4-18 | 200 | 160 | 8-18 | 200 | 160 | 8-18 |
100 | 4 | 127 | 52 | 105 | 431 | 240 | 210 | 170 | 4-18 | 220 | 180 | 8-18 | 220 | 180 | 8-18 |
125 | 5 | 140 | 56 | 115 | 455 | 240 | 240 | 200 | 8-18 | 250 | 210 | 8-18 | 250 | 210 | 8-18 |
150 | 6 | 140 | 56 | 137 | 626 | 350 | 265 | 225 | 8-18 | 285 | 240 | 8-22 | 285 | 240 | 8-22 |
200 | 8 | 152 | 60 | 164 | 720 | 350 | 320 | 280 | 8-18 | 340 | 295 | 8-22 | 340 | 295 | 12-22 |
250 | 10 | 165 | 68 | 206 | 800 | 550 | 375 | 335 | 12-18 | 395 | 350 | 12-22 | 405 | 355 | 12-26 |
300 | 12 | 178 | 78 | 230 | 860 | 600 | 440 | 395 | 12-22 | 445 | 400 | 12-22 | 460 | 410 | 12-26 |
350 | 14 | 190 | 78 | 248 | 883 | 600 | 490 | 445 | 12-22 | 505 | 460 | 16-22 | 520 | 470 | 16-26 |
400 | 16 | 216 | 102 | 289 | 972 | 600 | 540 | 495 | 16-22 | 565 | 515 | 16-26 | 580 | 525 | 16-30 |
450 | 18 | 222 | 114 | 320 | 1043 | 750 | 595 | 550 | 16-22 | 615 | 565 | 20-26 | 640 | 585 | 20-30 |
500 | 20 | 229 | 127 | 343 | 1098 | 750 | 645 | 600 | 20-22 | 670 | 620 | 20-26 | 715 | 650 | 20-33 |
600 | 24 | 267 | 154 | 413 | 1236 | 750 | 755 | 705 | 20-26 | 780 | 725 | 20-30 | 840 | 770 | 20-36 |
700 | 28 | 430 | 165 | 478 | 1431 | 750 | 860 | 810 | 24-26 | 895 | 840 | 24-30 | 910 | 840 | 24-36 |
800 | 32 | 470 | 190 | 525 | 1488 | 750 | 975 | 920 | 24-30 | 1015 | 950 | 24-33 | 1025 | 950 | 24-39 |
900 | 36 | 510 | 203 | 620 | 1615 | 1250 | 1075 | 1020 | 24-30 | 1115 | 1050 | 28-33 | 1125 | 1050 | 28-39 |
1000 | 40 | 550 | 216 | 725 | 1765 | 1500 | 1175 | 1120 | 28-30 | 1230 | 1160 | 28-36 | 1255 | 1170 | 28-42 |
1200 | 48 | 630 | 254 | 780 | 1976 | 1500 | 1405 | 1340 | 32-33 | 1455 | 1380 | 32-39 | 1485 | 1390 | 32-48 |
注:表中尺寸為不帶標準附件數據。另由于產品改進技術創(chuàng)新參數可能有一定變化,請咨詢公司技術部門索取新數據。
|